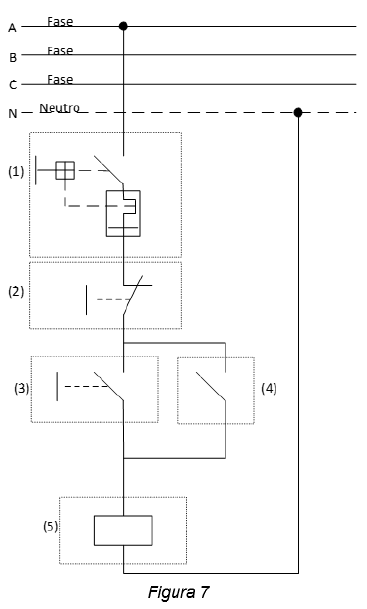
A Figura 7 mostra um diagrama de comando elétrico. Nessa figura, estão numerados seus
componentes. Assinale a alternativa que apresenta a correta descrição desses componentes
de acordo com a numeração apresentada.


Provas
Questão presente nas seguintes provas
Analista Universitário - Engenharia Elétrica
62 Questões