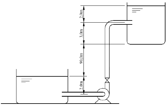
Assinale a alternativa que fornece a resposta CORRETA para a potência necessária para elevar 600 l/min de água potável a 25°C conforme o esquema abaixo sabendo que a perda de carga total no sistema é de 25 mca. Desprezar a variação de energia cinética e admitir peso específico da água igual a 1000 kg/m3.
