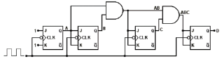
Avalie a montagem a seguir e atribua respectivamente V (verdadeiro) ou F (falso) às afirmações que seguem.

( ) Esta montagem trata de um contador assíncrono.
( ) Para transformarmos a montagem em um contador decrescente basta utilizarmos a saída Q barrada.
( ) Neste tipo de contador o atraso não depende do número de bits, mas apenas da tecnologia utilizada. Por outro lado, como o atraso de propagação é menor, o contador síncrono pode trabalhar com frequências maiores que o contador assíncrono.