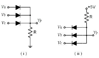
Dados os circuitos a diodos a seguir, e considerando lógica positiva (0V equivalendo a nível lógico “0”; e 5 V equivalendo a nível lógico “1”), qual a função lógica realizada por cada um, respectivamente?

Provas
Questão presente nas seguintes provas