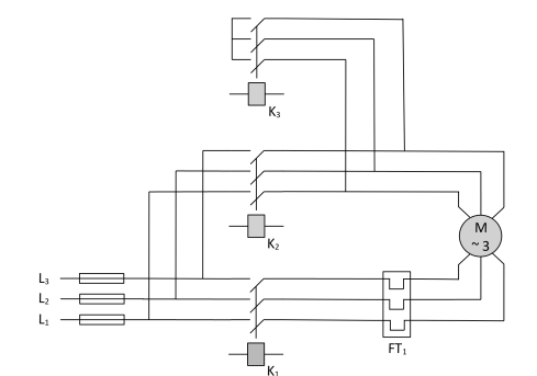
O diagrama multifilar mostrado na Figura 7 representa o diagrama do circuito de força de uma chave de partida
estrela-triângulo para motores elétricos trifásicos.

Avalie as afirmações sobre o diagrama mostrado na Figura 7. I - Com o fechamento dos contatores K1 e K3, o motor inicia a sua partida em estrela. II - Com o fechamento dos contatores K2 e K3, o motor inicia a sua partida em triângulo. III - A corrente no circuito durante a partida em estrela corresponde a 33% da corrente nominal do motor. IV - A tensão no motor durante a partida em triângulo corresponde a 58% da tensão nominal da rede elétrica.
Está correto apenas o que se afirma em

Avalie as afirmações sobre o diagrama mostrado na Figura 7. I - Com o fechamento dos contatores K1 e K3, o motor inicia a sua partida em estrela. II - Com o fechamento dos contatores K2 e K3, o motor inicia a sua partida em triângulo. III - A corrente no circuito durante a partida em estrela corresponde a 33% da corrente nominal do motor. IV - A tensão no motor durante a partida em triângulo corresponde a 58% da tensão nominal da rede elétrica.
Está correto apenas o que se afirma em
Provas
Questão presente nas seguintes provas