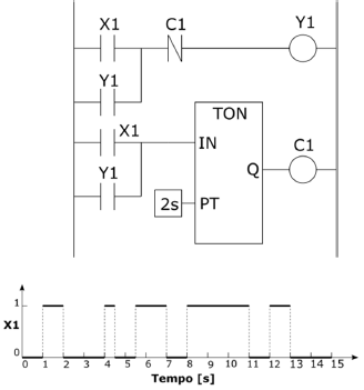
No programa LADDER da figura, X1, Y1 e C1 são variáveis booleanas na memória de um CLP e TON é um temporizador com atraso no acionamento, e com tempo de atraso indicado na figura e especificado em segundos. Sabe-se que todas as variáveis booleanas estão inicialmente em nível lógico 0, que a contagem do temporizador está inicialmente zerada, e que a variável X1 evolui de 0 a 15s conforme a figura.

Desprezando-se o tempo de varredura do CLP, o tempo, em segundos, em que Y1 permanece em nível lógico 1 no intervalo de 0 a 15s é