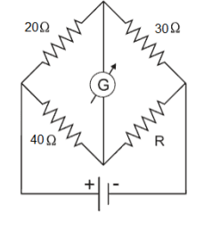
Considere a ponte de Wheatstone, esquematizada abaixo, em equilíbrio. Qual é o valor da resistência R?

Provas
Questão presente nas seguintes provas
Considere a ponte de Wheatstone, esquematizada abaixo, em equilíbrio. Qual é o valor da resistência R?
