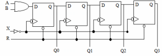
O circuito abaixo é acionado por borda e a entrada R, quando acionada, proporciona imediatamente o RESET de todos os Flip Flops.

Julgue os itens a seguir em V (verdadeiro) ou F (falso) e assinale a alternativa com a sequência correta.
( ) é um circuito de entrada serial e saída paralela.
( ) as saídas são atualizadas a cada borda de descida de X.
( ) quando R=1, todas as saídas apresentam nível lógico zero.