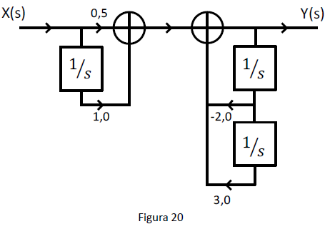
Observe o diagrama representado na Figura 20

É correto afirmar que o diagrama corresponde à realização, em forma direta, de um sistema LTI. Qual a ordem e a expressão da função de transferência !$ { \Large { ^{H(z)=Y(s)/_{X(s)}}}} !$
Provas
Questão presente nas seguintes provas
Professor PEBTT - Engenharia Elétrica/Área 24
40 Questões