Magna Concursos
Questões
Planos
Entrar
Entrar
Criar Conta
Respondida
1689484
Ano:
2008
Disciplina:
Engenharia Elétrica
Banca:
UFCG
Orgão:
UFCG
Provas:
Engenheiro Eletricista
Provas
×
Proteção de Sistemas Elétricos
Dispositivos de Proteção
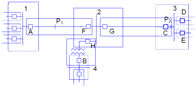
Na figura abaixo é mostrado um diagrama esquemático com as zonas de proteção. Quais são os disjuntores que operam para falhas em P1 e P2, respectivamente?
A
Atuam os disjuntores A, F e G para P1 e C, D, E e G para P2.
B
Atuam os disjuntores A e F para P1 e C, D, E e G para P2.
C
Atuam os disjuntores A, F e G para P1 e C, D e E para P2.
D
Atuam os disjuntores A para P1 e C para P2.
E
Atuam os disjuntores A, F e H para P1 e C, E e G para P2.
Resolver
Comentários
0
×
Cadernos
×
Flashcards
×
Estatísticas
×
Reportar um erro
×
Provas
Questão presente nas seguintes provas
Engenheiro Eletricista
100 Questões
Resolver Prova
Publicar
Responder
Qual o problema da questão?
Selecione uma opção
Questão Desatualizada
Questão Repetida
Gabarito Errado
Outros Motivos
Mensagem
Enviar
Acessar
Criar Conta
Acesse sua Conta
Google
Facebook
Esqueci minha senha
Acessar
Ainda não tem conta?
Crie uma
!
Crie uma Conta
Criar Conta
Olá, para continuar, precisamos criar uma conta!
É
rápido
e
grátis
.
Google
Facebook
Concordo com os
Termos de Uso
Criar
Já tem uma conta?
Acesse aqui