Magna Concursos
1090406 Ano: 2014
Disciplina: Engenharia Elétrica
Banca: FDC
Orgão: IFS

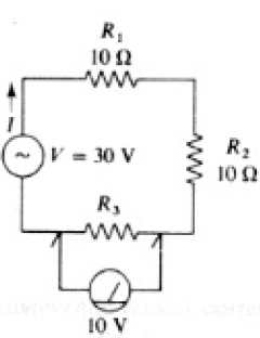
Observe o circuito abaixo:

Enunciado 3431267-1

A corrente I é igual ao seguinte valor:

 

Provas

Questão presente nas seguintes provas

Técnico de Laboratório - Eletrônica

50 Questões