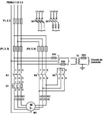
O diagrama a seguir representa um sistema de partida indireta estrela-triângulo para um motor trifásico de indução de 30 CV, 380/660 V, 42 A. Determine os valores de tensão e corrente medidos no contator K1, durante o tempo em que o motor estiver conectado para a partida em estrela.
