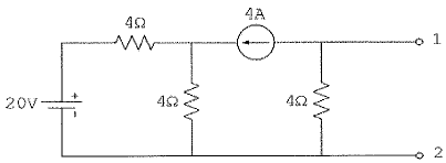
Observe a figura a seguir.

A figura acima representa um circuito de corrente contínua com os terminais 1 e 2 em aberto. Determine o módulo da Tensão (Eth) e a Resistência (Rth) de Thevenin desse circuito, vistos pelos terminais 1 e 2, e assinale a opção correta.
Provas
Questão presente nas seguintes provas