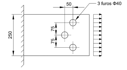
Na figura a seguir, apresenta-se uma chapa de aço com largura igual a 250 mm e espessura de 40
mm submetida a uma carga uniformemente distribuída em uma de suas extremidades e engastada à
extremidade oposta. A chapa possui, ainda, 3 furos com diâmetro de 40 mm.

(Dimensões em mm)
Sabendo que o aço possui tensão de escoamento igual a 400 MPa, a resistência axial dessa chapa considerando apenas o estado limite de ruptura da seção líquida efetiva é de:

(Dimensões em mm)
Sabendo que o aço possui tensão de escoamento igual a 400 MPa, a resistência axial dessa chapa considerando apenas o estado limite de ruptura da seção líquida efetiva é de: