
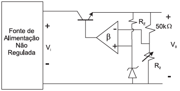
O circuito da figura acima corresponde a uma fonte regulada com tensão de saída variável. O regulador é alimentado com uma tensão não regulada de 50 V. O amplificador operacional amplifica a diferença entre seus terminais de entrada por um ganho !$ \beta !$ = 50000. O diodo zener proporciona uma tensão de referência de 6 V e o resistor Rz foi dimensionado para limitar a corrente no zener. Quando o valor da resistência R2 do potenciômetro varia entre 100 k!$ Ω !$ e 10 k!$ Ω !$ , variação suficiente para manter o transistor operando na região ativa, a tensão de saída da fonte, em V, variará entre: