
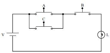
A figura acima mostra um circuito elétrico composto de uma lâmpada L, de uma bateria V e de três interruptores A, B e C, inicialmente, na posição aberta ou desligada. Considere que os estados de operação dos interruptores e da lâmpada possam ser representados, respectivamente, pelas variáveis lógicas A, B, C, e L, em que os estados ligado e desligado dos elementos do circuito sejam representados pelos valores booleanos 1 e 0, respectivamente. A partir dessas informações, julgue o item seguinte.
L=A.B+C representa corretamente os estados de funcionamento da lâmpada no circuito apresentado.