Magna Concursos
2254409 Ano: 2020
Disciplina: Engenharia Mecânica
Banca: Marinha
Orgão: Marinha

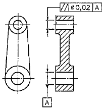
O seguinte desenho apresenta a indicação de qual tolerância?

Enunciado 3388327-1

 

Provas

Questão presente nas seguintes provas

Corpo Auxiliar de Praças - Mecânica

50 Questões