
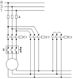
Em relação ao esquemático precedente, julgue o item que se segue.
O dispositivo A protege o circuito contra corrente de curto-circuito.

Em relação ao esquemático precedente, julgue o item que se segue.
O dispositivo A protege o circuito contra corrente de curto-circuito.