Magna Concursos
1856650 Ano: 2014
Disciplina: Engenharia Eletrônica
Banca: CESPE / CEBRASPE
Orgão: SUFRAMA

Enunciado 1856650-1

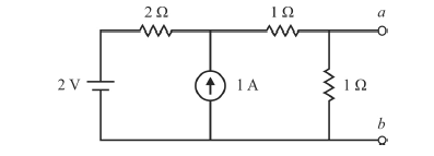
Com base no circuito elétrico mostrado na figura acima, julgue os itens que se seguem.

O modelo equivalente de Thévenin desse circuito entre os terminais a e b é formado por uma fonte de tensão de 1 V conectada em série com uma resistência inferior a 1 Ω.
 

Provas

Questão presente nas seguintes provas

Engenheiro Eletricista ou Eletrônico

120 Questões