
Chaves de partida-manobra e proteção de motores elétricos. Internet: <www.weg.net> (com adaptações).
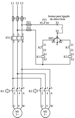
Considerando que o esquema da figura acima seja utilizado para comandar duas motobombas controladas por boias, julgue o item subsecutivo.
O contator K1 aciona o motor M1 com inversão de rotação em relação a K2 e M2.