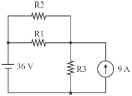
Considere o circuito mostrado na figura a seguir.

Com relação a este circuito elétrico, julgue o item que se segue.
Se R1 = 24 Ω , R2 = 24 Ω e R3 = 6 Ω , então a corrente que flui pelo resistor R3 é igual a 9 A.
Provas
Questão presente nas seguintes provas
Especialista da Telebrás - Engenharia da Computação
120 Questões