
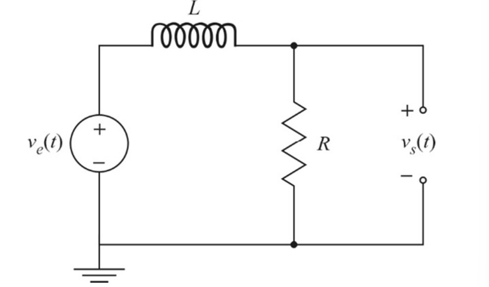
Com relação ao circuito precedente, que utiliza um indutor e um resistor e em que ve(t) é a tensão de entrada e vs(t) é a tensão de saída, julgue os próximos itens.
A expressão \( v_s\left(t\right)=u\left(t\right)e^{-\dfrac{L.t}{R}} \) corresponde à resposta do circuito ao degrau unitário \( u(t). \)