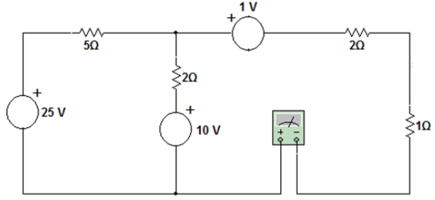
Para o circuito abaixo, determine o valor da corrente medida pelo amperímetro.
Olá, para continuar, precisamos criar uma conta! É rápido e grátis.