
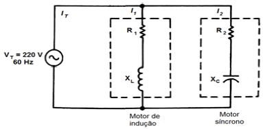
Uma fonte de tensão de 220V/60Hz alimenta um motor de indução com um circuito RL equivalente com os seguintes valores: R1= 3,872 Ω e L = 7,69 mH(conforme figura) e está ligado em paralelo com um motor síncrono com um circuito RC equivalente com os seguintes valores: R2 = 6,734 Ω e C = 386 μF.
A corrente total IT, a impedância total ZT e a potência aparente S consumida pelo circuito são
Provas
Questão presente nas seguintes provas