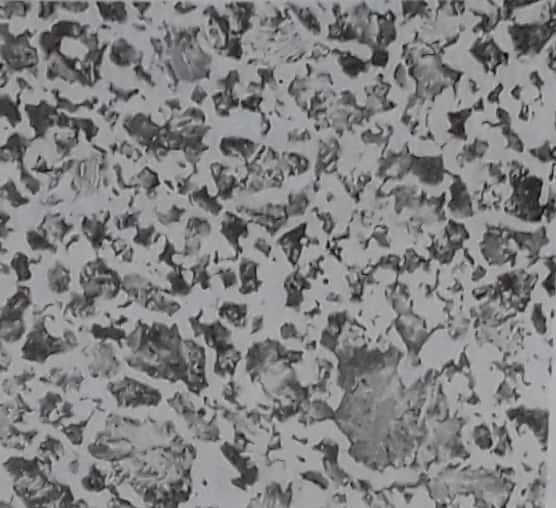
Observe a figura a seguir.

A imagem representa uma amostra de granalha de ferro utilizada para o processo de corte na indústria de granito. Esse material é, de modo geral, à base de uma liga ferrosa com alto teor de carbono. O material é resultado de um processo de fundição e de tratamento térmico. Nele é possível observar a formação de duas fases, sendo uma delas a martensita, que