
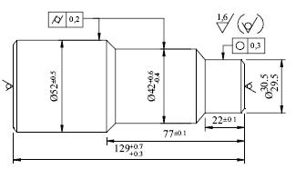
O desenho acima mostra a vista frontal de um eixo cilíndrico de três corpos, que vai ser fabricado segundo as dimensões e tolerâncias indicadas. Também estão mostrados os valores dos graus de rugosidade para as várias superfícies. Nessa situação, julgue os itens subseqüentes.
A ponta do eixo, no diâmetro maior, deve ter uma concentricidade com o corpo do eixo intermediário em um valor de 0,2 mm.
Provas
Questão presente nas seguintes provas
Técnico - Inspeção de Equipamentos e Instalações
150 Questões
Técnico de Manutenção - Mecânica
100 Questões