Magna Concursos
2573709 Ano: 2021
Disciplina: Engenharia Mecânica
Banca: SELECON
Orgão: EMGEPRON

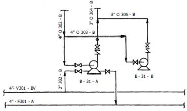
Considere-se a figura a seguir.

Enunciado 3373392-1

A representação na figura corresponde a:

 

Provas

Questão presente nas seguintes provas