1605243
Ano: 2008
Disciplina: Engenharia Eletrônica
Banca: CESPE / CEBRASPE
Orgão: Pref. Vitória-ES
Disciplina: Engenharia Eletrônica
Banca: CESPE / CEBRASPE
Orgão: Pref. Vitória-ES
Provas:
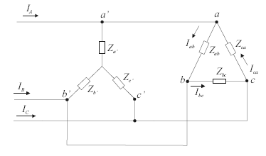
A figura a seguir representa um circuito trifásico que ilustra a conexão de duas cargas em paralelo ligadas a uma rede elétrica cuja alimentação é equilibrada e simétrica e que apresenta tensão de linha igual a 380 
Considerando a figura acima e as informações relativas ao circuito elétrico nela descrito, julgue os itens seguintes, considerando, ainda,![]()
Ainda que a carga em triângulo seja desequilibrada e apresente impedância igual a 2
, na fase ab; igual a j2
, na fase bc e igual a !j2
, na fase ca, as correntes nas três fases dessa carga terão a mesma intensidade.