Magna Concursos
993019 Ano: 2014
Disciplina: Engenharia Elétrica
Banca: CESGRANRIO
Orgão: Liquigás
Provas:
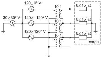
enunciado 993019-1

No circuito da Figura acima, o valor, em ampères, da amplitude da corrente de fase da carga é

Dado √3 = 1,73
 

Provas

Questão presente nas seguintes provas

Engenheiro Eletricista

70 Questões