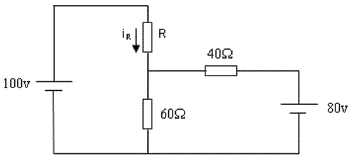
O circuito abaixo possui duas fontes de tensão de corrente continua e três resistores.

Calcule o valor da corrente (iR) que passa através do resistor R.
Provas
Questão presente nas seguintes provas
Professor PEBTT - Eletrônica
40 Questões
Professor PEBTT - Eletrotécnica
40 Questões