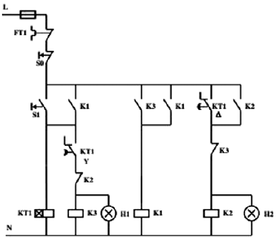
A corrente de partida de um motor de indução trifásico é de 5 a 7 vezes o valor de sua corrente nominal e independe da carga acionada. A figura a seguir exemplifica um diagrama de comando de um motor trifásico que objetiva a redução de sua corrente de partida. Assinale a alternativa correspondente ao método empregado.
