
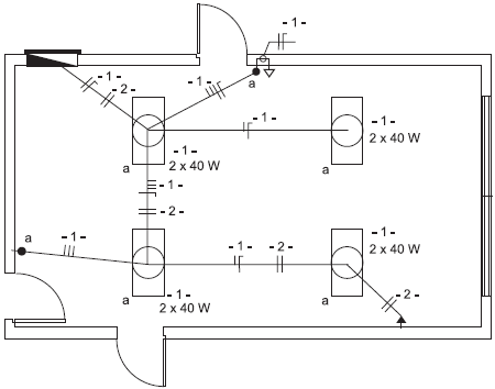
A figura acima mostra, parcialmente, o diagrama elétrico de uma instalação. A tensão de fornecimento dessa instalação é de 220 V fase-fase.
Com relação ao diagrama mostrado, analise as afirmativas abaixo.
I – A tomada de luz baixa, a 30 cm do piso, é alimentada em 220 V.
II – Todos os pontos de luz são acionados simultaneamente.
III – Os interruptores são do tipo intermediário.
Está correto APENAS o que se afirma em
Provas
Questão presente nas seguintes provas