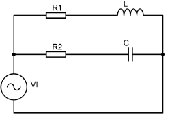
Observe o circuito abaixo.

Dados do circuito:
R1 = !$ 100 Ω !$
R2 = !$ 200 Ω !$
C = !$ 18 μF !$
L = !$ 265 mH !$
VI(t) =!$ 220.\sqrt{2}.cos(2.\pi.60.t) V !$
R1 = !$ 100 Ω !$
R2 = !$ 200 Ω !$
C = !$ 18 μF !$
L = !$ 265 mH !$
VI(t) =!$ 220.\sqrt{2}.cos(2.\pi.60.t) V !$
A corrente eficaz fornecida pela fonte, na forma polar, é aproximadamente:
Provas
Questão presente nas seguintes provas