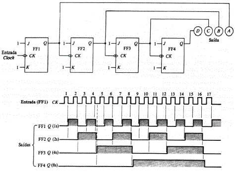
Observe o circuito e o diagrama de temporização a seguir.

Com relação ao funcionamento desse circuito, é CORRETO afirmar:
Provas
Questão presente nas seguintes provas
Observe o circuito e o diagrama de temporização a seguir.

Com relação ao funcionamento desse circuito, é CORRETO afirmar: