Magna Concursos
2561593 Ano: 2018
Disciplina: Engenharia Mecânica
Banca: Marinha
Orgão: Marinha

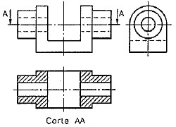
Observe as vistas ortográficas abaixo.

Enunciado 3390898-1

Assinale a opção que apresenta a vista que contém a indicação do plano de corte.

 

Provas

Questão presente nas seguintes provas

Corpo Auxiliar de Praças - Mecânica

50 Questões