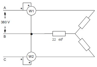
Um sistema trifásico equilibrado, na seqüência ABC, alimenta uma carga equilibrada em Y, conforme esquema abaixo.

Os valores registrados, em Watts, por W1 e W2, respectivamente, são:
Um sistema trifásico equilibrado, na seqüência ABC, alimenta uma carga equilibrada em Y, conforme esquema abaixo.

Os valores registrados, em Watts, por W1 e W2, respectivamente, são: