Magna Concursos
Questões
Planos
Entrar
Entrar
Criar Conta
Respondida
293505
Ano:
2012
Disciplina:
Engenharia Elétrica
Banca:
CESGRANRIO
Orgão:
Petrobrás
Provas:
Técnico de Manutenção - Elétrica
Provas
×
Sistemas Elétricos de Potência
Equipamentos do Sistema Elétrico de Potência
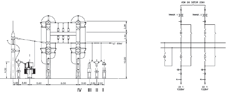
No corte mostrado acima, representativo de uma subestação, através de seu diagrama unifilar, os equipamentos representados pelos algarismos
I
,
II
,
III
e
IV
correspondem, respectivamente, a
A
capacitor, transformador de potencial, transformador de corrente e para-raio
B
disjuntor, transformador de corrente, transformador de potencial e capacitor
C
para-raio, transformador de corrente, transformador de potencial e disjuntor
D
transformador de corrente, transformador de potencial, para-raio e disjuntor
E
transformador de potencial, transformador de corrente, para-raio e disjuntor
Resolver
Comentários
0
×
Cadernos
×
Flashcards
×
Estatísticas
×
Reportar um erro
×
Provas
Questão presente nas seguintes provas
Técnico de Manutenção - Elétrica
60 Questões
Resolver Prova
Publicar
Responder
Qual o problema da questão?
Selecione uma opção
Questão Desatualizada
Questão Repetida
Gabarito Errado
Outros Motivos
Mensagem
Enviar
Acessar
Criar Conta
Acesse sua Conta
Google
Facebook
Esqueci minha senha
Acessar
Ainda não tem conta?
Crie uma
!
Crie uma Conta
Criar Conta
Olá, para continuar, precisamos criar uma conta!
É
rápido
e
grátis
.
Google
Facebook
Concordo com os
Termos de Uso
Criar
Já tem uma conta?
Acesse aqui