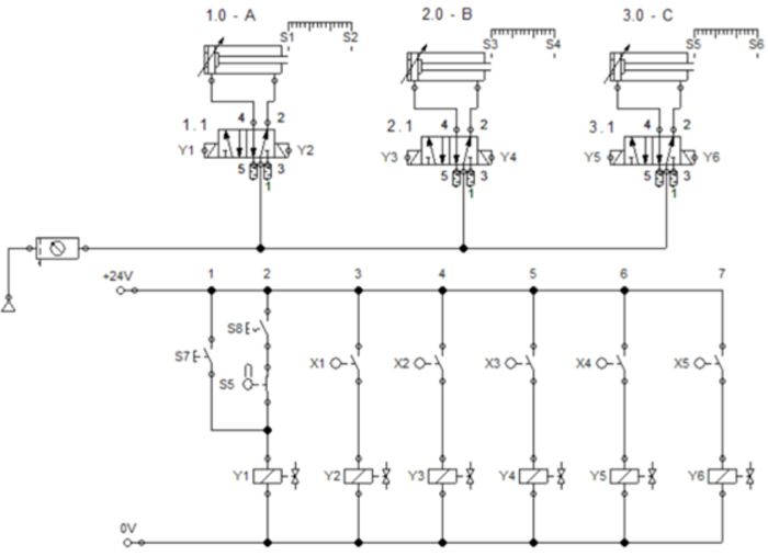
Analise o circuito eletropneumático e o diagrama trajeto/passo a seguir. Assinale a alternativa que
contenha a montagem correta dos sensores para que o circuito funcione segundo o diagrama trajeto/passo:


Fonte: IFSP, 2023.


Fonte: IFSP, 2023.