Magna Concursos
2841504 Ano: 2022
Disciplina: Engenharia Civil
Banca: FGV
Orgão: POLITEC-AP

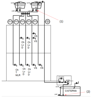
A figura a seguir apresenta parte do diagrama vertical da instalação de água fria de uma residência unifamiliar.

Enunciado 3553156-1

As válvulas indicadas com os números (1) e (2) são, respectivamente, válvulas
 

Provas

Questão presente nas seguintes provas