Magna Concursos
1748357 Ano: 2018
Disciplina: Engenharia Eletrônica
Banca: IF-SP
Orgão: IF-SP

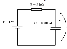
No circuito RC, mostrado na figura a seguir, em quanto tempo a tensão VC irá atingir 99% do valor de E?

Enunciado 3431692-1

 

Provas

Questão presente nas seguintes provas

Professor PEBTT - Eletrônica e Mecatrônica

40 Questões