
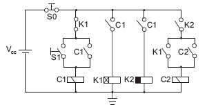
A figura acima apresenta o circuito lógico para a energização de duas máquinas trifásicas por intermédio dos contatores C1 e C2. As chaves S0 e S1 são do tipo sem retenção; K1 representa um relé com retardo na ligação, programado para 15 minutos e K2, um relé com retardo no desligamento, programado para 25 minutos. O ato de acionar uma chave significa apertá-la e soltá-la em seguida. Considere que o operador acionou a chave S0 e, uma hora depois, a chave S1. Analise as afirmativas abaixo a partir desse último instante.
I - a máquina comandada por C1 entrará imediatamente em funcionamento e permanecerá energizada por cerca de 25 minutos, quando, então, será desligada automaticamente.
II - após 15 minutos, a máquina comandada por C2 será energizada e funcionará por cerca de 25 minutos.
III - após 40 minutos, ambas as máquinas estarão desligadas, encerrando-se o ciclo.
É(São) correta(s) APENAS a(s) afirmativa(s)