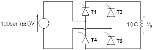
No retificador controlado apresentado na figura abaixo, T1, T2, T3 e T4 são tiristores cujo ângulo de disparo é de 60° e a frequência angular (ω) da tensão de alimentação do retificador é igual a 120π rad/s.
Desprezando as quedas de tensões sobre os tiristores, qual o valor da tensão média V0 na saída do retificador?
