
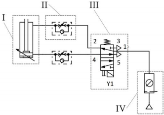
A figura acima ilustra um circuito pneumático para cumprir uma função repetitiva em uma linha de produção. A respeito dos componentes e do funcionamento desse circuito, julgue o item.
O componente III é uma válvula direcional com acionamento manual, com retorno por mola.
Provas
Questão presente nas seguintes provas
Analista de Fiscalização - Engenharia Mecânica
120 Questões