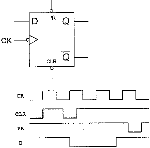
Assinale a opção que apresenta a forma de onda correspondente à saída Q do flip-flop tipo D vista na figura abaixo em função dos sinais aplicados nas entradas.

Provas
Questão presente nas seguintes provas
Assinale a opção que apresenta a forma de onda correspondente à saída Q do flip-flop tipo D vista na figura abaixo em função dos sinais aplicados nas entradas.
