Magna Concursos
Questões
Planos
Entrar
Entrar
Criar Conta
Respondida
958990
Ano:
2017
Disciplina:
Engenharia Elétrica
Banca:
AOCP
Orgão:
EBSERH
Provas:
Engenheiro Eletricista
Provas
×
Circuitos Elétricos
Circuitos CC
Capacitância e indutância
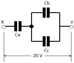
Você está construindo um banco de capacitores, conforme a figura que segue. Com base na figura assinale a alternativa que apresenta a carga e a diferença de potencial elétrico do capacitor Ca.
Dados: Ca = 3x10
-6
F; Cb = 4x10
-6
F; Cc = 2x10
-6
F
A
26,66x10
-6
C e 13,33 V
B
40x10
-6
C e 26,66 V
C
80x10
-6
C e 13,33 V
D
13,33x10
-6
C e 26,66 V
E
40x10
-6
C e 13,33 V
Resolver
Comentários
0
×
Cadernos
×
Flashcards
×
Estatísticas
×
Reportar um erro
×
Provas
Questão presente nas seguintes provas
Engenheiro Eletricista
50 Questões
Resolver Prova
Publicar
Responder
Qual o problema da questão?
Selecione uma opção
Questão Desatualizada
Questão Repetida
Gabarito Errado
Outros Motivos
Mensagem
Enviar
Acessar
Criar Conta
Acesse sua Conta
Google
Facebook
Esqueci minha senha
Acessar
Ainda não tem conta?
Crie uma
!
Crie uma Conta
Criar Conta
Olá, para continuar, precisamos criar uma conta!
É
rápido
e
grátis
.
Google
Facebook
Concordo com os
Termos de Uso
Criar
Já tem uma conta?
Acesse aqui