Considere as informações a seguir para responder à questão.

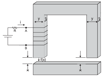
A figura mostra um sistema magnético cuja parte inferior pode deslocar-se para fornecer um entreferro de comprimento variável. Considere que a energia elétrica de entrada do sistema magnético nos terminais A e B é igual à soma da energia mecânica de saída com a energia magnética armazenada no campo magnético do entreferro, desconsiderando qualquer perda elétrica, magnética e mecânica. Desconsidere ainda a energia armazenada dentro do material magnético. Admita o campo magnético uniforme dentro do entreferro e nulo fora deste. As dimensões do material magnético são a largura y e a profundidade z, em metros, iguais para todo o material.
Sendo μ0 a permeabilidade do espaço livre em [H/m], N o número de espiras da bobina, i a corrente elétrica em [A] e x a distância de entreferro em [m], qual a expressão que determina a força produzida pelo sistema magnético em função da distância x, nessas condições?
Sendo μ0 a permeabilidade do espaço livre em [H/m], N o número de espiras da bobina, i a corrente elétrica em [A] e x a distância de entreferro em [m], qual a expressão que determina a força produzida pelo sistema magnético em função da distância x, nessas condições?