
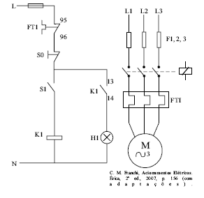
Considerando o circuito de comando e o circuito de força de um motor de indução trifásico, mostrado na figura acima, julgue os itens a seguir.
Pressionando-se o botão S1, energiza-se a bobina do contactor K1.

Considerando o circuito de comando e o circuito de força de um motor de indução trifásico, mostrado na figura acima, julgue os itens a seguir.
Pressionando-se o botão S1, energiza-se a bobina do contactor K1.