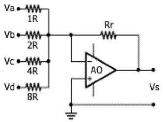
A figura abaixo representa um modelo simples de conversor digital-analógico de quatro bits. Sabendo que suas entradas podem assumir os valores lógicos 1 (5V) ou 0 (0V), determine a saída do circuito quando a palavra digital de entrada for VaVbVcVd=1100, assim como o degrau (step) do conversor.

Provas
Questão presente nas seguintes provas