Magna Concursos
Questões
Planos
Entrar
Entrar
Criar Conta
Respondida
667505
Ano:
2008
Disciplina:
Engenharia Elétrica
Banca:
PUC-PR
Orgão:
COPEL
Provas:
Oficial de Manutenção - Eletromecânica
Provas
×
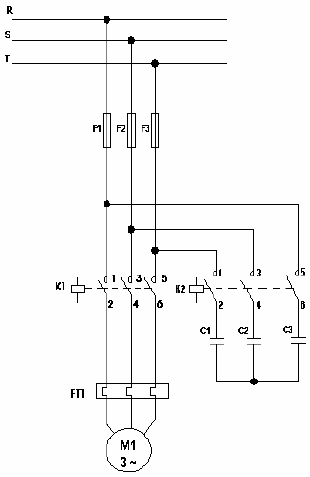
A qual das alternativas corresponde o diagrama de força da figura?
A
Trata-se de um circuito para realizar a correção do fator de potência de motor trifásico.
B
Trata-se de um circuito de proteção contra falta de fase, protegendo motor trifásico comandado por contator.
C
Trata-se de uma reversão de rotação em motores trifásicos com auxílio de contatores.
D
Trata-se de um circuito programador cíclico para comandar motor trifásico.
E
Trata-se de um circuito para efetuar a partida de motor trifásico em estrela- triângulo automática, utilizando contatores e relé temporizado.
Resolver
Comentários
0
×
Cadernos
×
Flashcards
×
Estatísticas
×
Reportar um erro
×
Provas
Questão presente nas seguintes provas
Oficial de Manutenção - Eletromecânica
40 Questões
Resolver Prova
Publicar
Responder
Qual o problema da questão?
Selecione uma opção
Questão Desatualizada
Questão Repetida
Gabarito Errado
Outros Motivos
Mensagem
Enviar
Acessar
Criar Conta
Acesse sua Conta
Google
Facebook
Esqueci minha senha
Acessar
Ainda não tem conta?
Crie uma
!
Crie uma Conta
Criar Conta
Olá, para continuar, precisamos criar uma conta!
É
rápido
e
grátis
.
Google
Facebook
Concordo com os
Termos de Uso
Criar
Já tem uma conta?
Acesse aqui