Magna Concursos
1717734 Ano: 2004
Disciplina: Física
Banca: CESPE / CEBRASPE
Orgão: CTI
Provas:

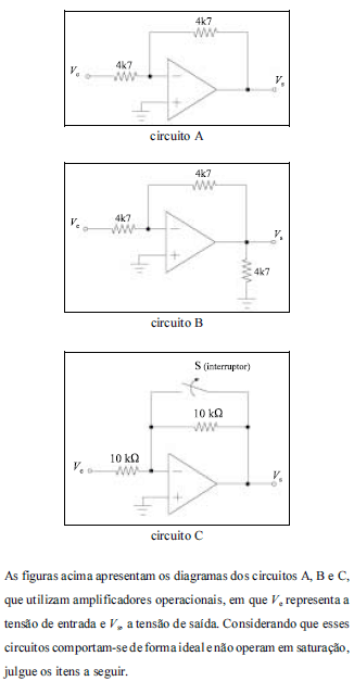
Enunciado 1717734-1

O circuito A representa amplificador não-inversor.

 

Provas

Questão presente nas seguintes provas

Técnico em Eletrônica

70 Questões